Peripheral equipment
Flexible nozzle

Features
Resin nozzle ideal for anaerobic liquids. The resin needle prevents anaerobic liquids from curing within and enables dispensing in narrow spaces without damaging the product.
Applicable Devices
Designed especially for our liquid-discharging valves (FDV2-FWA-V and FDV2-JWA-V) and syringe-type dispensers for anaerobic onecomponent liquids.
Specifications
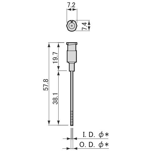
| Product Name | Size | Boss Material | Needle O.D. | Needle I.D. | Needle Material |
|---|---|---|---|---|---|
| TS-25P | 25P | PE | Φ0.73 | Φ0.254 | PP |
| TS-22P | 22P | Φ0.81 | Φ0.406 | ||
| TS-20P | 20P | Φ0.99 | Φ0.609 | ||
| TS-18P | 18P | Φ1.34 | Φ0.838 | ||
| TS-16P | 16P | Φ1.70 | Φ1.193 | ||
| TS-15P | 15P | Φ1.82 | Φ1.371 |
| Product Name | TS-25P | TS-22P | TS-20P |
|---|---|---|---|
| Size | 25P | 22P | 20P |
| Boss O.D./Material | PE | ||
| Needle O.D. | Φ0.73 | Φ0.81 | Φ0.99 |
| Needle I.D. | Φ0.254 | Φ0.406 | Φ0.609 |
| Needle Material | PP | ||
| Product Name | TS-18P | TS-16P | TS-15P |
|---|---|---|---|
| Size | 18P | 16P | 15P |
| Boss O.D./Material | PE | ||
| Needle O.D. | Φ1.34 | Φ1.70 | Φ1.82 |
| Needle I.D. | Φ0.838 | Φ1.193 | Φ1.371 |
| Needle Material | PP | ||
Dimensions

(mm) O. D. : Outer diameter I. D. : Inner diameter


